Особливості процесорів для Socket AM2+:
• техпроцес виготовлення: 65 nm или 45 nm; • кількість ядер: процесори Celeron - 1; Athlon - 2, 3 або 4; Phenom - 2, 3, 4 або 6; Opteron - 4; • підтримка багатопоточності: відсутня; • авторазгон: нет; • частота: до 3,7 ГГц; • TDP: до 160 W; • системна шина: HyperTransport 3.0; • вбудований контролер оперативної пам'яті: двоканальний DDR3-1333 або DDR3-1066; • кеш-пам'ять: у процесорів Celeron і Athlon дворівнева, по 512 або 1024 Kb кеша L2 на кожне ядро; у Phenom і Opteron додатково присутня пам'ять третього рівня (L3) обсягом до 6 Mb. • вбудований контроллер PCIe: немає (використовуються лінії PCIe чіпсету материнської плати); • вбудоване графічне ядро: відсутнє. Перелік моделей процесорів, які можна використовувати на материнських платах з Socket AM2 +, а також рівень їх швидкодії, див. ниже.Чіпсети для Socket AM2+
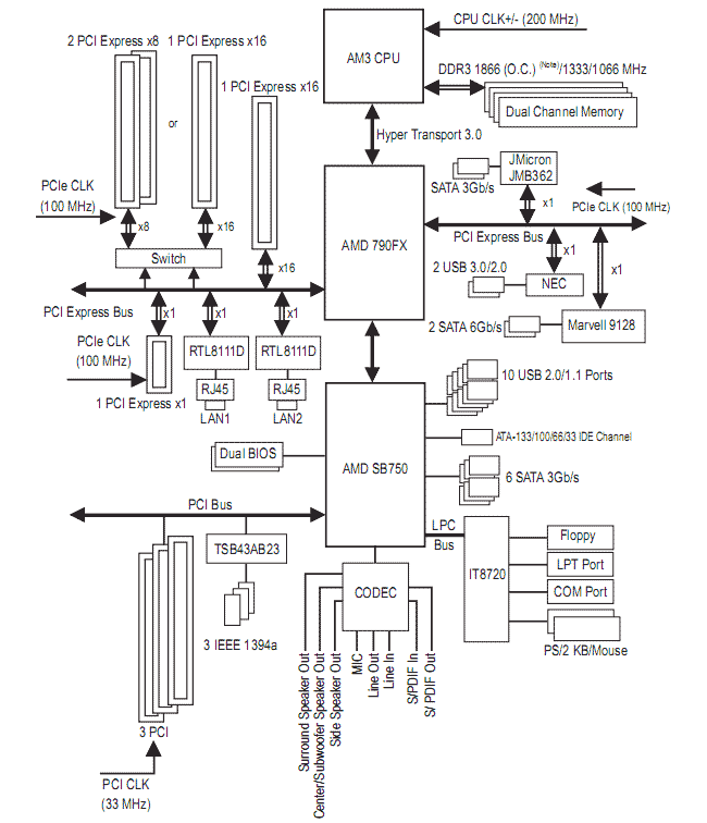
В якості системної логіки на материнських платах з Socket AM2+ використовуються чіпсети (набори міркосхем) від AMD (790FX, 790X, 770, 780G, 790GX, 785G, 760G та деякі інші), а також від NIDIA (GeForce 8200, GeForce 8100, nForce 750aSLI, nForce 720D, nForce 520LE, GeForce 6100/nForce 430 та ін.). Системна логіка материнських плат AM2+, побудована на згаданих вище мікросхемах AMD, має класичну "хабову" компоновку, тобто, складається з двох основних мікросхем - так званих "північного" і "південного" мостів. У якості "південних" мостів при цьому використовуються мікросхеми AMD серії SB700 (SB750, SB710).Схеми чіпсетів для Socket AM2+:
Рейтинг процесорів для Socket AM2+
(розміщені в порядку зниження індексу швидкодії)| 1. | AMD Phenom II X4 976 BE 4 cor. / 3700 MHz | 5313 (100%) |
| 2. | AMD Phenom II X4 980 4 cor. / 3700 MHz | 5213 (99%) |
| 3. | AMD Phenom II X4 970 BE 4 cor. / 3500 MHz | 5041 (95%) |
| 4. | AMD Phenom II X4 965 BE 4 cor. / 3400 MHz | 4822 (91%) |
| 5. | AMD Athlon II X4 559 4 cor. / 3400 MHz | 4800 (91%) |
| 6. | AMD Phenom II X4 975 BE 4 cor. / 3600 MHz | 4775 (90%) |
| 7. | AMD Phenom II X2 B60 2 cor. / 3300 MHz | 4755 (90%) |
| 8. | AMD Phenom II X4 B55 4 cor. / 3300 MHz | 4695 (89%) |
| 9. | AMD Phenom II X4 B97 4 cor. / 3200 MHz | 4638 (88%) |
| 10. | AMD Phenom II X4 955 BE 4 cor. / 3200 MHz | 4625 (88%) |
| 11. | AMD Phenom II X4 B99 4 cor. / 3000 MHz | 4590 (87%) |
| 12. | AMD Athlon II X4 555 4 cor. / 3000 MHz | 4572 (87%) |
| 13. | AMD Athlon II X4 650 4 cor. / 3200 MHz | 4538 (86%) |
| 14. | AMD Athlon II X4 655 4 cor. / 3300 MHz | 4502 (85%) |
| 15. | AMD Phenom II X4 B50 4 cor. / 3200 MHz | 4464 (85%) |
| 16. | AMD Phenom II X4 850 4 cor. / 3300 MHz | 4457 (84%) |
| 17. | AMD Phenom II X4 840 4 cor. / 3200 MHz | 4446 (84%) |
| 18. | AMD Phenom II X4 B95 4 cor. / 3000 MHz | 4393 (83%) |
| 19. | AMD Phenom II X4 945 4 cor. / 3000 MHz | 4379 (83%) |
| 20. | AMD Athlon II X4 553 4 cor. / 2820 MHz | 4377 (83%) |
| 21. | AMD Phenom II X4 B35 4 cor. / 2900 MHz | 4375 (83%) |
| 22. | AMD Athlon II X4 645 4 cor. / 3100 MHz | 4304 (82%) |
| 23. | AMD Phenom II X4 977 4 cor. / 3600 MHz | 4303 (81%) |
| 24. | AMD Phenom II X4 840T 4 cor. / 2900 MHz | 4285 (81%) |
| 25. | AMD Phenom II X4 940 4 cor. / 3000 MHz | 4283 (81%) |
| 26. | AMD Phenom II X4 960T BE 4 cor. / 3000 MHz | 4259 (81%) |
| 27. | AMD Phenom II X4 B40 4 cor. / 3000 MHz | 4238 (80%) |
| 28. | AMD Phenom II X4 B45 4 cor. / 3100 MHz | 4212 (80%) |
| 29. | AMD Athlon II X4 640 4 cor. / 3000 MHz | 4124 (78%) |
| 30. | AMD Phenom II X4 925 4 cor. / 2800 MHz | 4098 (78%) |
| 31. | AMD Athlon II X4 635 4 cor. / 2900 MHz | 4073 (77%) |
| 32. | AMD Phenom II X4 920 4 cor. / 2800 MHz | 4058 (77%) |
| 33. | AMD Opteron 1385 4 cor. / 2700 MHz | 3955 (75%) |
| 34. | AMD Athlon II X4 630 4 cor. / 2800 MHz | 3933 (75%) |
| 35. | AMD Phenom II X4 B93 4 cor. / 2800 MHz | 3908 (74%) |
| 36. | AMD Phenom II X4 910e 4 cor. / 2600 MHz | 3881 (74%) |
| 37. | AMD Phenom II X4 820 4 cor. / 2800 MHz | 3847 (73%) |
| 38. | AMD Phenom II X4 830 4 cor. / 2800 MHz | 3809 (72%) |
| 39. | AMD Opteron 1389 4 cor. / 2900 MHz | 3763 (71%) |
| 40. | AMD Phenom II X4 810 4 cor. / 2600 MHz | 3686 (70%) |
| 41. | AMD Athlon II X4 615e 4 cor. / 2500 MHz | 3664 (69%) |
| 42. | AMD Phenom II X4 905e 4 cor. / 2500 MHz | 3646 (69%) |
| 43. | AMD Athlon II X4 620 4 cor. / 2600 MHz | 3624 (69%) |
| 44. | AMD Phenom II X4 805 4 cor. / 2500 MHz | 3622 (69%) |
| 45. | AMD Athlon II X3 460 3 cor. / 3400 MHz | 3557 (67%) |
| 46. | AMD Athlon II X4 605e 4 cor. / 2300 MHz | 3555 (67%) |
| 47. | AMD Athlon II X4 610e 4 cor. / 2400 MHz | 3546 (67%) |
| 48. | AMD Phenom X4 9850B 4 cor. / 2500 MHz | 3523 (67%) |
| 49. | AMD Athlon II X3 455 3 cor. / 3300 MHz | 3510 (67%) |
| 50. | AMD Athlon II X4 620e 4 cor. / 2700 MHz | 3508 (67%) |
| 51. | AMD Athlon II X3 450 3 cor. / 3200 MHz | 3378 (64%) |
| 52. | AMD Phenom X4 9950 BE 4 cor. / 2600 MHz | 3369 (64%) |
| 53. | AMD Athlon II X4 615 4 cor. / 2700 MHz | 3369 (64%) |
| 54. | AMD Phenom X4 9750 4 cor. / 2400 MHz | 3342 (63%) |
| 55. | AMD Phenom II X3 B77 3 cor. / 3200 MHz | 3338 (63%) |
| 56. | AMD Phenom X4 9600B 4 cor. / 2300 MHz | 3334 (63%) |
| 57. | AMD Phenom II X4 910 4 cor. / 2600 MHz | 3331 (63%) |
| 58. | AMD Athlon II X3 445 3 cor. / 3100 MHz | 3278 (62%) |
| 59. | AMD Phenom II X3 B75 3 cor. / 3000 MHz | 3258 (62%) |
| 60. | AMD Opteron 1381 4 cor. / 2500 MHz | 3253 (62%) |
| 61. | AMD Athlon II X4 600e 4 cor. / 2200 MHz | 3249 (62%) |
| 62. | AMD Phenom X4 GP-9730 4 cor. / 2400 MHz | 3229 (61%) |
| 63. | AMD Phenom X4 9650 4 cor. / 2300 MHz | 3226 (61%) |
| 64. | AMD Athlon II X4 605 4 cor. / 2500 MHz | 3220 (61%) |
| 65. | AMD Athlon II X3 440 3 cor. / 3000 MHz | 3155 (60%) |
| 66. | AMD Phenom II X4 900e 4 cor. / 2400 MHz | 3126 (59%) |
| 67. | AMD Phenom X4 9850 4 cor. / 2500 MHz | 3099 (59%) |
| 68. | AMD Opteron 1356 4 cor. / 2300 MHz | 3083 (59%) |
| 69. | AMD Phenom X4 9550 4 cor. / 2200 MHz | 3048 (58%) |
| 70. | AMD Phenom II X3 B73 3 cor. / 2800 MHz | 3025 (57%) |
| 71. | AMD Phenom X4 9350e 4 cor. / 2000 MHz | 3003 (57%) |
| 72. | AMD Athlon II X3 435 3 cor. / 2900 MHz | 2978 (57%) |
| 73. | AMD Opteron 1354 4 cor. / 2200 MHz | 2960 (56%) |
| 74. | AMD Phenom X4 9600 4 cor. / 2300 MHz | 2909 (55%) |
| 75. | AMD Phenom II X3 710 3 cor. / 2600 MHz | 2898 (55%) |
| 76. | AMD Athlon II X3 425 3 cor. / 2700 MHz | 2898 (55%) |
| 77. | AMD Phenom II X3 720 3 cor. / 2800 MHz | 2896 (55%) |
| 78. | AMD Phenom X4 9500 4 cor. / 2200 MHz | 2831 (54%) |
| 79. | AMD Athlon II X3 420e 3 cor. / 2600 MHz | 2819 (54%) |
| 80. | AMD Phenom II X3 715 BE 3 cor. / 2800 MHz | 2811 (53%) |
| 81. | AMD Opteron 1352 4 cor. / 2100 MHz | 2800 (53%) |
| 82. | AMD Phenom x4 9750B 4 cor. / 2400 MHz | 2752 (52%) |
| 83. | AMD Phenom II X3 705e 3 cor. / 2500 MHz | 2750 (52%) |
| 84. | AMD Athlon II X3 420 3 cor. / 2800 MHz | 2719 (52%) |
| 85. | AMD Athlon II X3 425e 3 cor. / 2700 MHz | 2703 (51%) |
| 86. | AMD Athlon II X3 415e 3 cor. / 2500 MHz | 2681 (51%) |
| 87. | AMD Athlon II X3 415 3 cor. / 2600 MHz | 2663 (51%) |
| 88. | AMD Phenom x3 8600B 3 cor. / 2300 MHz | 2650 (50%) |
| 89. | AMD Phenom X4 9450e 4 cor. / 2100 MHz | 2634 (50%) |
| 90. | AMD Phenom II X2 565 BE 2 cor. / 3400 MHz | 2630 (50%) |
| 91. | AMD Phenom II X3 700e 3 cor. / 2400 MHz | 2627 (50%) |
| 92. | AMD Phenom X3 8750 3 cor. / 2400 MHz | 2616 (50%) |
| 93. | AMD Phenom II X2 570 BE 2 cor. / 3500 MHz | 2601 (49%) |
| 94. | AMD Phenom X4 9150e 4 cor. / 1800 MHz | 2583 (49%) |
| 95. | AMD Phenom II X3 740 BE 3 cor. / 3000 MHz | 2578 (49%) |
| 96. | AMD Phenom II X2 B59 2 cor. / 3400 MHz | 2547 (48%) |
| 97. | AMD Athlon II X2 280 2 cor. / 3600 MHz | 2505 (48%) |
| 98. | AMD Phenom II X2 560 BE 2 cor. / 3300 MHz | 2500 (48%) |
| 99. | AMD Phenom X4 9100e 4 cor. / 1800 MHz | 2449 (47%) |
| 100. | AMD Phenom II X2 521 2 cor. / 3500 MHz | 2442 (46%) |
| 101. | AMD Athlon II X2 270 2 cor. / 3400 MHz | 2420 (46%) |
| 102. | AMD Athlon II X3 405e 3 cor. / 2300 MHz | 2410 (46%) |
| 103. | AMD Athlon II X2 265 2 cor. / 3300 MHz | 2397 (46%) |
| 104. | AMD Athlon II X3 400e 3 cor. / 2200 MHz | 2390 (45%) |
| 105. | AMD Phenom II X2 555 BE 2 cor. / 3200 MHz | 2375 (45%) |
| 106. | AMD Athlon II X2 B28 2 cor. / 3400 MHz | 2332 (44%) |
| 107. | AMD Phenom x3 8850B 3 cor. / 2500 MHz | 2319 (44%) |
| 108. | AMD Phenom X3 8600 3 cor. / 2300 MHz | 2294 (44%) |
| 109. | AMD Phenom II X2 511 2 cor. / 3400 MHz | 2290 (44%) |
| 110. | AMD Phenom II X2 B57 2 cor. / 3200 MHz | 2281 (43%) |
| 111. | AMD Athlon II X2 260 2 cor. / 3200 MHz | 2272 (43%) |
| 112. | AMD Athlon II X2 B26 2 cor. / 3200 MHz | 2268 (43%) |
| 113. | AMD Phenom X3 8450 3 cor. / 2100 MHz | 2230 (42%) |
| 114. | AMD Phenom II X2 B55 2 cor. / 3000 MHz | 2223 (42%) |
| 115. | AMD Phenom X3 8650 3 cor. / 2300 MHz | 2205 (42%) |
| 116. | AMD Phenom II X2 545 2 cor. / 3000 MHz | 2201 (42%) |
| 117. | AMD Athlon II X2 255 2 cor. / 3100 MHz | 2191 (42%) |
| 118. | AMD Phenom X3 8450e 3 cor. / 2100 MHz | 2183 (42%) |
| 119. | AMD Athlon II X2 250e 2 cor. / 3000 MHz | 2176 (41%) |
| 120. | AMD Phenom II X2 550 2 cor. / 3100 MHz | 2174 (41%) |
| 121. | AMD Phenom X3 8750B 3 cor. / 2400 MHz | 2151 (41%) |
| 122. | AMD Athlon II X2 250 2 cor. / 3000 MHz | 2143 (41%) |
| 123. | AMD Phenom X3 8400 3 cor. / 2100 MHz | 2107 (40%) |
| 124. | AMD Phenom X3 8550 3 cor. / 2200 MHz | 2084 (40%) |
| 125. | AMD Phenom X3 8850 3 cor. / 2500 MHz | 2067 (39%) |
| 126. | AMD Phenom II X2 B53 2 cor. / 2800 MHz | 2058 (39%) |
| 127. | AMD Athlon II X2 245e 2 cor. / 2900 MHz | 2051 (39%) |
| 128. | AMD Athlon II X2 245 2 cor. / 2900 MHz | 2046 (39%) |
| 129. | AMD Athlon II X2 B24 2 cor. / 3000 MHz | 2035 (39%) |
| 130. | AMD Athlon II X2 210e 2 cor. / 2600 MHz | 1972 (38%) |
| 131. | AMD Phenom X3 8250e 3 cor. / 1900 MHz | 1962 (37%) |
| 132. | AMD Athlon II X2 235e 2 cor. / 2700 MHz | 1953 (37%) |
| 133. | AMD Athlon II X2 B22 2 cor. / 2800 MHz | 1926 (37%) |
| 134. | AMD Athlon II X2 220 2 cor. / 2800 MHz | 1919 (37%) |
| 135. | AMD Athlon II X2 240 2 cor. / 2800 MHz | 1919 (37%) |
| 136. | AMD Athlon X2 7850 2 cor. / 2800 MHz | 1915 (37%) |
| 137. | AMD Athlon II X2 240e 2 cor. / 2800 MHz | 1838 (35%) |
| 138. | AMD Athlon II X2 215 2 cor. / 2700 MHz | 1830 (35%) |
| 139. | AMD Athlon X2 7750 2 cor. / 2700 MHz | 1805 (34%) |
| 140. | AMD Athlon X2 7550 2 cor. / 2500 MHz | 1769 (34%) |
| 141. | AMD Athlon X2 6500 BE 2 cor. / 2300 MHz | 1680 (32%) |
| 142. | AMD Athlon II X2 225 2 cor. / 2900 MHz | 1593 (30%) |
| 143. | AMD Sempron X2 190 2 cor. / 2500 MHz | 1591 (30%) |
| 144. | AMD Sempron X2 180 2 cor. / 2400 MHz | 1495 (29%) |
| 145. | AMD Athlon X2 7450 2 cor. / 2400 MHz | 1429 (27%) |
| 146. | AMD Athlon II X2 260u 2 cor. / 1800 MHz | 1291 (25%) |
| 147. | AMD Athlon II X2 270u 2 cor. / 2000 MHz | 1222 (24%) |
| 148. | AMD Athlon II X2 250u 2 cor. / 1600 MHz | 1114 (21%) |
| 149. | AMD Sempron 150 1 cor. / 2900 MHz | 1081 (21%) |
| 150. | AMD Sempron 145 1 cor. / 2800 MHz | 978 (19%) |
| 151. | AMD Sempron 140 1 cor. / 2700 MHz | 931 (18%) |
| 152. | AMD Sempron 130 1 cor. / 2600 MHz | 925 (18%) |
| 153. | AMD Athlon 64 3100+ 1 cor. / 2000 MHz | 877 (17%) |
| 154. | AMD Athlon 64 LE-1640 1 cor. / 2600 MHz | 779 (15%) |
| 155. | AMD Athlon 64 LE-1660 1 cor. / 2800 MHz | 753 (15%) |
| 156. | AMD Athlon II 160u 1 cor. / 1800 MHz | 648 (13%) |
| 157. | AMD Athlon II 170u 1 cor. / 2000 MHz | 643 (13%) |
| Загальний рейтинг швидкодії процесорів >>> | ||
Смартфони
Мобільні SoC
Відеокарти
Ігри
Процесори